Grampos Horizontais Compactos

Grampos manuais de Fixação Horizontais Compactos - Informação Técnica -

Encontre aqui todas as informações sobre os modelos diferentes de grampos de fixação compactos. Tambem estão disponíveis para download os ficheiros CAD dos nossos grampos em 3 formatos. Se não encontrar a informação pretendida, por favor contacte-nos

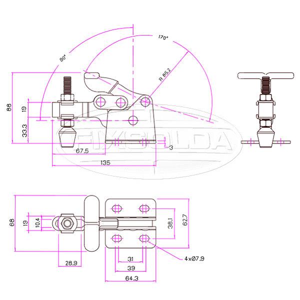
Grampo de fixação GH 13005

Modelo GH-13005

Força de retenção [Kgf]68
Abertura do braço [º]170
Abertura do punho [º]90
Peso [g]63
Download
Cotas | DXF 2D | IGES 3D | SAT 3D | Step 3D
Cotas de grampo GH 13005
GH 13005
Grampo de fixação GH 13005 HB

Modelo GH-13005-HB

Força de retenção [Kgf]68
Abertura do braço [º]170
Abertura do punho [º]90
Peso [g]63
Download
Cotas | DXF 2D | IGES 3D | SAT 3D | Step 3D
Cotas de grampo GH 13005 HB
GH 13005 HB
Grampo de fixação GH 13005 SM

Modelo GH-13005-SM

Força de retenção [Kgf]68
Abertura do braço [º]170
Abertura do punho [º]90
Peso [g]92
Download
Cotas | DXF 2D | IGES 3D | SAT 3D | Step 3D
Cotas de grampo GH 13005 SM
GH 13005 SM
Grampo de fixação GH 13005 HB

Modelo GH-13005-HB

Força de retenção [Kgf]68
Abertura do braço [º]170
Abertura do punho [º]90
Peso [g]63
Download
Cotas | DXF 2D | IGES 3D | SAT 3D | Step 3D
Cotas de grampo GH 13005 HB
GH 13005 HB
Grampo de fixação GH 13007

Modelo GH-13007

Força de retenção [Kgf]150
Abertura do braço [º]170
Abertura do punho [º]90
Peso [g]230
Download
Cotas | DXF 2D | IGES 3D | SAT 3D | Step 3D
Cotas de grampo GH 13007
GH 13007
Grampos de fixação GH 13007 SM

Modelo GH-13007-SM

Força de retenção [Kgf]68
Abertura do braço [º]170
Abertura do punho [º]90
Peso [g]360
Download
Cotas | DXF 2D | IGES 3D | SAT 3D | Step 3D
Cotas de grampo GH 13007 SM
GH 13007 SM
Grampo de fixação GH 13008

Modelo GH-13008

Força de retenção [Kgf]320
Abertura do braço [º]170
Abertura do punho [º]90
Peso [g]630
Download
Cotas | DXF 2D | IGES 3D | SAT 3D | Step 3D
Cotas de grampo o GH 13008
GH 13008
Grampo de fixação GH 22100

Modelo GH-22100

Força de retenção [Kgf]68
Abertura do braço [º]90
Abertura do punho [º]90
Peso [g]110
Download
Cotas | DXF 2D | IGES 3D | SAT 3D | Step 3D
Cotas de grampo GH 22100
GH 22100
es_ESES
Scroll to Top