Grampos de Fixação Horizontais de Base Vertical

Grampos manuais de Fixação Horizontais com Base vertical - Informação Técnica

Encontre aqui todas as informações sobre os modelos diferentes de grampos. Tambem estão disponíveis para download os ficheiros CAD em 3 formatos. Se não encontrar a informação pretendida, por favor contacte-nos

Grampo GH 201-AI

Modelo GH-201-AI

Força de retenção [Kgf]25
Abertura do braço [º]90
Abertura do punho [º]80
Peso [g]30-35
Download
Cotas | DXF 2D | IGES 3D | SAT 3D | Step 3D
Grampo de fixação GH 201-AI
GH 201-AI
Grampo GH 201 I

Modelo GH-201-I

Força de retenção [Kgf]25
Abertura do braço [º]90
Abertura do punho [º]80
Peso [g]30-35
Download
Cotas | DXF 2D | IGES 3D | SAT 3D | Step 3D
Cotas GH 201_I
GH 201 I
Grampo de Fixação GH-225-DI

Modelo GH-225-DI

Força de retenção [Kgf]227
Abertura do braço [º]90
Abertura do punho [º]65
Peso [g]265
Download
Cotas | DXF 2D | IGES 3D | SAT 3D | Step 3D
Cotas grampo GH-225_DI
GH 225 DI
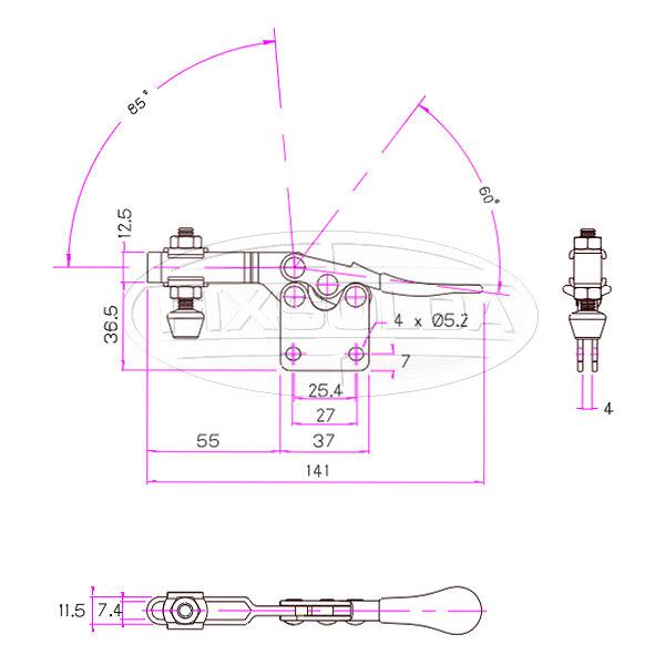
Grampo de fixação GH 201 BI

Modelo GH-201-BI

Força de retenção [Kgf]90
Abertura do braço [º]85
Abertura do punho [º]60
Peso [g]130
Download
Cotas | DXF 2D | IGES 3D | SAT 3D | Step 3D
Cotas grampo GH 201 BI
GH 201 BI
Grampo de fixação GH 20236

Modelo GH-20236

Força de retenção [Kgf]340
Abertura do braço [º]85
Abertura do punho [º]50
Peso [g]640
Download
Cotas | DXF 2D | IGES 3D | SAT 3D | Step 3D
Cotas grampo GH 20236
GH 20236
es_ESES
Scroll to Top